Aktivní tlumení vibrací tyčí (ZČU/FST)
Popis
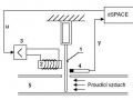
Vývoj samonastavujícího se regulátoru SC2FA byl původně motivován zcela konkrétním problémem řízení elektromechanického kmitavého systému navrženého pro zkoumání vzájemného ovlivňování kmitajících trubek v aerodynamickém tunelu. Trubka je impulsně vybuzená a kmitá přibližně na frekvenci 44Hz/s koeficientem tlumení ksi = 0;027. Cílem regulátoru je na ni silově působit elektromagnetem tak, aby byly rezonanční kmity odstraněny. Samonastavující se regulátor byl implementován ve formě C MEX S-funkce (Simulink) na hardwaru dSPACE a zařazen do systému REX.
Foto
Použitý HW a SW
- HW: dSpace
- SW: Řídicí systém REX
- SW: Vizualizace - dSpace










